Components>Trim>Commercial and Industrial Trim>Gutters

Specify left or right
PBR Sculptured Eave Gutter
| DIM “A” | Length | Girth | Roof Slope |
|---|---|---|---|
| 6 1/2″ | 10′-2″ | 23″ | 1/2-4:12 |
| 6 1/2″ | 20′-2″ | 23″ | 1/2-4:12 |
| 7″ | 10′-2″ | 23 1/2″ | 4 1/8-6:12 |
| 7″ | 20′-2″ | 23 1/2″ | 4 1/8-6:12 |

Specify left or right
PBR Sculptured Hang-On Gutter
| DIM “A” | Length | Girth | Roof Slope |
|---|---|---|---|
| 6 1/2″ | 10′-2″ | 20 1/4″ | 1/2-4:12 |
| 6 1/2″ | 20′-2″ | 20 1/4″ | 1/2-4:12 |
| 7″ | 10′-2″ | 20 3/4″ | 4 1/8-6:12 |
| 7″ | 20′-2″ | 20 3/4″ | 4 1/8-6:12 |

Specify left or right
PBU Sculptured Eave Gutter
| DIM “A” | Length | Girth | Roof Slope |
|---|---|---|---|
| 7″ | 10′-2″ | 23 1/2″ | 1/2-4:12 |
| 7″ | 20′-2″ | 23 1/2″ | 1/2-4:12 |
| 7 1/2″ | 10′-2″ | 24″ | 4 1/8-6:12 |
| 7 1/2″ | 20′-2″ | 24″ | 4 1/8-6:12 |

Specify left or right
PBU Sculptured Hang-On Gutter
| DIM “A” | Length | Girth | Roof Slope |
|---|---|---|---|
| 7″ | 10′-2″ | 20 3/4″ | 1/2-4:12 |
| 7″ | 20′-2″ | 20 3/4″ | 1/2-4:12 |
| 7 1/2″ | 10′-2″ | 21 1/4″ | 4 1/8-6:12 |
| 7 1/2″ | 20′-2″ | 21 1/4″ | 4 1/8-6:12 |

Specify left or right
Sculptured Eave Gutter – 7.2 Panel
| DIM “A” | Length | Girth | Roof Slope |
|---|---|---|---|
| 6 1/4″ | 10′-2″ | 23 1/4″ | 1/2-4:12 |
| 6 1/4″ | 20′-2″ | 23 1/4″ | 1/2-4:12 |
| 6 5/8″ | 10′-2″ | 23 5/8″ | 4 1/8-6:12 |
| 6 5/8″ | 20′-2″ | 23 5/8″ | 4 1/8-6:12 |

Specify left or right
Sculptured Hang-On Gutter – 7.2 Panel
| DIM “A” | Length | Girth | Roof Slope |
|---|---|---|---|
| 6 1/4″ | 10′-2″ | 20″ | 1/2-4:12 |
| 6 1/4″ | 20′-2″ | 20″ | 1/2-4:12 |
| 6 5/8″ | 10′-2″ | 20 3/8″ | 4 1/8-6:12 |
| 6 5/8″ | 20′-2″ | 20 3/8″ | 4 1/8-6:12 |

Use with 7.2 Panel, PBR and PBU Panel
Box Hang-On Gutter
| DIM “A” | Length | Girth | Roof Slope |
|---|---|---|---|
| 4 1/2″ | 10′-2″ | 17″ | 1/2-4:12 |
| 4 1/2″ | 20′-2″ | 17″ | 1/2-4:12 |
| 4 1/4″ | 10′-2″ | 17″ | 1/2-4:12 |
| 4 1/4″ | 20′-2″ | 17″ | 1/2-4:12 |
| 4″ | 10′-2″ | 16 3/4″ | 1/2-4:12 |
| 4″ | 20′-2″ | 16 3/4″ | 1/2-4:12 |
| 4 3/4″ | 20′-2″ | 17 1/4″ | 4 1/16-6:12 |
| 4 5/8″ | 10′-2″ | 17 3/8″ | 4 1/16-6:12 |
| 4 5/8″ | 20′-2″ | 17 3/8″ | 4 1/16-6:12 |
| 4 1/4″ | 10′-2″ | 17″ | 4 1/16-6:12 |
| 4 1/4″ | 20′-2″ | 17″ | 4 1/16-6:12 |
| 4 3/4″ | 10′-2″ | 17 1/4″ | 4 1/16-6:12 |

Use with 7.2 Panel, PBR and PBU Panel
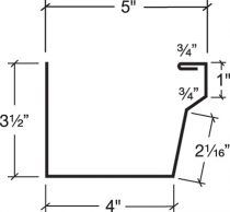
Box Eave Gutter
| DIM “A” | Length | Girth | Roof Slope |
|---|---|---|---|
| 4 1/2″ | 10′-2″ | 20 1/4″ | 1/2-4:12 |
| 4 1/2″ | 20′-2″ | 20 1/4″ | 1/2-4:12 |
| 4 1/4″ | 10′-2″ | 20 1/4″ | 1/2-4:12 |
| 4 1/4″ | 20′-2″ | 20 1/4″ | 1/2-4:12 |
| 4 3/4″ | 10′-2″ | 20 1/2″ | 4 1/16-6:12 |
| 4 3/4″ | 20′-2″ | 20 1/2″ | 4 1/16-6:12 |
| 4 5/8″ | 10′-2″ | 20 5/8″ | 4 1/16-6:12 |
| 4 5/8″ | 20′-2″ | 20 5/8″ | 4 1/16-6:12 |
| 4″ | 10′-2″ | 20″ | 1/2-4:12 |
| 4″ | 20′-2″ | 20″ | 1/2-4:12 |
| 4 1/4″ | 10′-2″ | 20 1/4″ | 4 1/16-6:12 |
| 4 1/4″ | 20′-2″ | 20 1/4″ | 4 1/16-6:12 |

Residential Gutter
| Girth | Gauge |
| 12 9/16″ | 29 |
| 12 9/16″ | 26 |
| 12 9/16″ | 24 |
