Components>Trim>Insulated Metal Panel Trim>Sill Trim

All trim is embossed as standard
Trim available in 8′-0″, 10′-0″, 12′-0″, 14′-0″, 16′-0″ and 20′-0″ lengths
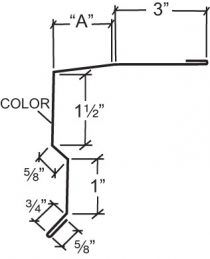
Sill Trim – Offset
| DIM “A” | Panel Thickness | Girth | Gauge |
|---|---|---|---|
| 2 7/16″ | 2″ | 10 7/16″ | 26 |
| 2 7/16″ | 2″ | 10 7/16″ | 24 |
| 2 7/16″ | 2″ | 10 7/16″ | 22 |
| 2 15/16″ | 2 1/2″ | 10 15/16″ | 26 |
| 2 15/16″ | 2 1/2″ | 10 15/16″ | 24 |
| 2 15/16″ | 2 1/2″ | 10 15/16″ | 22 |
| 3 7/16″ | 3″ | 11 7/16″ | 26 |
| 3 7/16″ | 3″ | 11 7/16″ | 24 |
| 3 7/16″ | 3″ | 11 7/16″ | 22 |
| 4 7/16″ | 4″ | 12 7/16″ | 26 |
| 4 7/16″ | 4″ | 12 7/16″ | 24 |
| 4 7/16″ | 4″ | 12 7/16″ | 22 |
| 5 7/16″ | 5″ | 13 7/16″ | 26 |
| 5 7/16″ | 5″ | 13 7/16″ | 24 |
| 5 7/16″ | 5″ | 13 7/16″ | 22 |
| 6 7/16″ | 6″ | 14 7/16″ | 26 |
| 6 7/16″ | 6″ | 14 7/16″ | 24 |
| 6 7/16″ | 6″ | 14 7/16″ | 22 |

All trim is embossed as standard
Trim available in 8′-0″, 10′-0″, 12′-0″, 14′-0″, 16′-0″ and 20′-0″ lengths
Sill Trim – Flat
| DIM “A” | Panel Thickness | Girth | Gauge |
|---|---|---|---|
| 2 1/16″ | 2″ | 8 7/16″ | 26 |
| 2 1/16″ | 2″ | 8 7/16″ | 24 |
| 2 1/16″ | 2″ | 8 7/16″ | 22 |
| 2 9/16″ | 2 1/2″ | 8 15/16″ | 26 |
| 2 9/16″ | 2 1/2″ | 8 15/16″ | 24 |
| 2 9/16″ | 2 1/2″ | 8 15/16″ | 22 |
| 3 1/16″ | 3″ | 9 7/16″ | 26 |
| 3 1/16″ | 3″ | 9 7/16″ | 24 |
| 3 1/16″ | 3″ | 9 7/16″ | 22 |
| 4 1/16″ | 4″ | 10 7/16″ | 26 |
| 4 1/16″ | 4″ | 10 7/16″ | 24 |
| 4 1/16″ | 4″ | 10 7/16″ | 22 |
| 5 1/16″ | 5″ | 11 7/16″ | 26 |
| 5 1/16″ | 5″ | 11 7/16″ | 24 |
| 5 1/16″ | 5″ | 11 7/16″ | 22 |
| 6 1/16″ | 6″ | 12 7/16″ | 26 |
| 6 1/16″ | 6″ | 12 7/16″ | 24 |
| 6 1/16″ | 6″ | 12 7/16″ | 22 |

Trim is smooth as standard
Trim available in 8′-0″, 10′-0″, 12′-0″, 14′-0″, 16′-0″ and 20′-0″ lengths
Sill Trim
| DIM “A” | Panel Thickness | Girth | Gauge |
|---|---|---|---|
| 2 13/16″ | 1 1/2″ | 9 3/16″ | 26 |
| 3 5/16″ | 2′ | 9 11/16″ | 26 |
| 3 13/16″ | 2 1/2″ | 10 3/16″ | 26 |
| 4 5/16″ | 3″ | 10 11/16″ | 26 |
| 5 5/16″ | 4″ | 11 11/16″ | 26 |
| 6 5/16″ | 5″ | 12 11/16″ | 26 |
| 7 5/16″ | 6″ | 12 1/2″ | 26 |
