Components>Wall>Concealed Fastening Wall Systems>NuWall®

Product Information
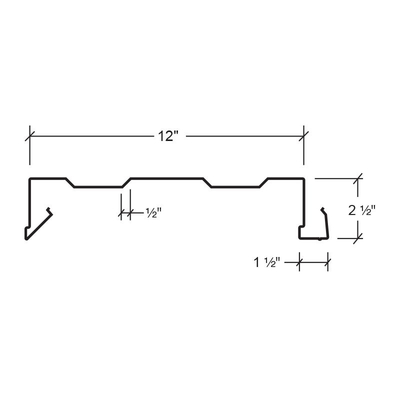
The NuWall® system is based on a 12-inch module. This means that when using NuWall® over existing metal panels, the existing panel ribs must be 6 inches or 12 inches on center.
Features
- Width – 12″
- Panel Attachment – Concealed Fastening System
- Gauge – 24 (standard); 22 (optional)
- Finishes – Smooth (standard); Embossed (optional)
- Coatings – Galvalume Plus®, Signature® 200, Signature® 300, Signature® 300 Metallic
- Length – 5′-0″ to 40′-0″
